五种低压接地系统形式

相关图片

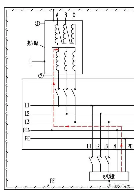
配电箱接地示意图

低压系统接地形式

配电系统的接地形式包括

图文分析10kv供配电系统中常用的三种接地方式

你知道低压配电系统几种接地形式的区别吗,看完你就完全明白了

随机推荐

孙艺珍全家福曝光,爸爸像玄彬!明星高颜值家人盘点,肖战爸超帅

微信表情丨二宝的小情绪

马嘉祺乌托邦乐园舞台直拍#马嘉祺舞台直拍来啦~白衣的马哥真的帅!

67将牙套矫治器全部安装于牙齿的舌侧面进行正畸治疗.

科幻太极背景图jpgpsd像素:2108 x 730格式: psd周易太极八卦太极拳

热销不锈钢防爆高压锅 燃气电磁通用压力锅 加厚复合底

邹廷威老九门演的谁剧照曝光一再用演技征服观众

水果有多少种 中国水果有多少种