5月20日这天聊天的表情包,这套表情包包含有表白,比心等等之类的表情

相关图片

biu到你的心

50个令人心动的表情包,全是小心心

《仓央故里》与《门巴故乡》旅游文化-表情包

熊猫头比心心头比心心熊猫表情

单手比心的emoji表情符号可复制软件app

随机推荐

杨采钰《只有芸知道》首映礼演技获赞 芳华剧组重聚见证成"芸"蜕变

书香一瓣唯美温馨高清壁纸

港式背头2021年男生打理最简单的短发最好打

一个青年男人和一个青年女人全身合影

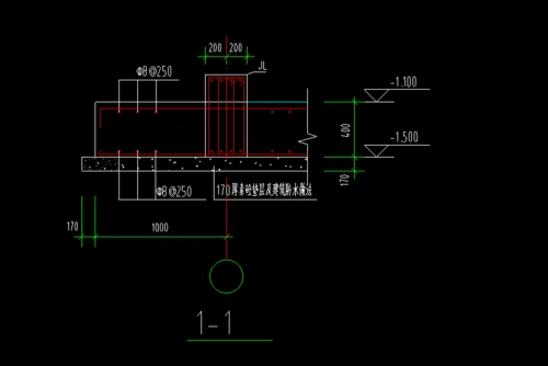
有梁式筏板基础,基础梁的标高在什么位置?

晚上玩游戏图片

常为戒(倪大红饰)

国内电视台标志psd素材