Warning: session_start(): open(/tmp/sess_piimuhpidkvepnmbc2jrjg4nv3, O_RDWR) failed: No space left on device (28) in /www/wwwroot/www.nnbbaa.com/config.php on line 2

Warning: session_start(): Failed to read session data: files (path: ) in /www/wwwroot/www.nnbbaa.com/config.php on line 2
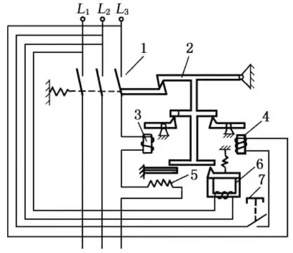
断路器脱扣装置工作原理示意图(图1) - 能吧图片库

断路器脱扣装置工作原理示意图(图1)

相关图片

图二:电子脱扣器原理框图

电子式脱扣器的工作原理

分励脱扣器原理(有图).doc

cn102856131a_一种适用于三相电源的欠压脱扣器有效

保护装置:由各类脱扣器完成短路,过载,失压等保护功能.

随机推荐

王源线稿

章昊##吴世勋

月亮湖是可以坐下来慢慢欣赏慢慢享受的风景.

谢楠发文谈照顾生病的孩子,大儿子吴所谓高烧仍劝妈妈休息

【王一博代言】每日黑巧燕麦奶黑巧克力植物基4片礼盒装网红零食

水瓶座男生头像动漫图片大全

老树家少年治白发变黑发神器克星何首乌纯植物老年白头转黑洗发水

小鸭子简笔画赶鸭子上架趣味简笔画绘制小鸭子并着色太有意思了儿童简