lol英雄联盟 暗黑元首 辛德拉 syndra 手机壁纸

相关图片

lol英雄联盟 暗黑元首 辛德拉 syndra 星之守护者 至臻 手机壁纸

【lol皮肤预览】魅惑女巫 -辛德拉

lol英雄联盟 暗黑元首 辛德拉 syndra 4k壁纸

英雄联盟灵魂莲华-辛德拉t3皮肤cg_cg插画_绘画艺术-摩尔网cgmol

【lol不要肝】2200代币/125神话精萃/星之守护者 辛德拉 至臻

随机推荐

原创刘涛穿红裙现身尽显女人风采

热门表情包原图精选36个表情20210719

黄磊首谈儿子引热议,网友纷纷吐槽重男轻女,儿子保护得倒是挺好

金馆长数钱牙齿算了再加5毛吧gif动图_动态图_表情包下载_soogif

闺蜜头像,姐妹头像无水印,点赞暴富

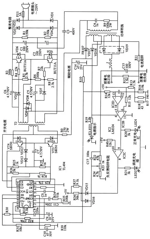
蓄电池快速充电器电路图

马尔代夫热带海洋风景高清图片桌面壁纸

自然微分碎盖 2023年发型流行趋势 南京剪发 自然微分碎盖 2023年发型