60进制计数器的设计

相关图片

关于数电设计 七段数码管问题

b1c2f597c0954ded3721f498f0a907b0.png

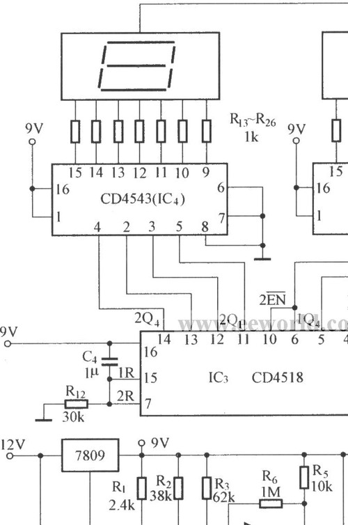
图数字显示式光电计数电路之二

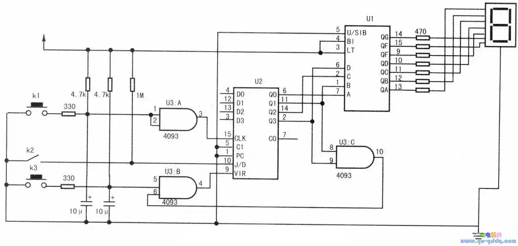
74ls16024进制异步计数器

计数器,计数器的工作原理是什么?

随机推荐

蔡徐坤文字壁纸

生日祝福歌_简谱_搜谱网

马丽嫁比自己小11岁男友38岁高龄为其生下孩子活成人生赢家

妖神记 _ 国创 _ bilibili _ 哔哩哔哩弹幕视频网

浪漫情侣牵手桌面壁纸

雪地的小画家手抄报童话天地的手抄报雪地里的小画家--友谊大街小学一

百度图片识别昵图网2022已更新今日资讯

108k插画作品图集日韩同人物帅哥卡通动漫手绘素材图片全身头像男