电动车充电器电路图

相关图片

一文把30张电动车充电器电路图工作原理了解的明明白白

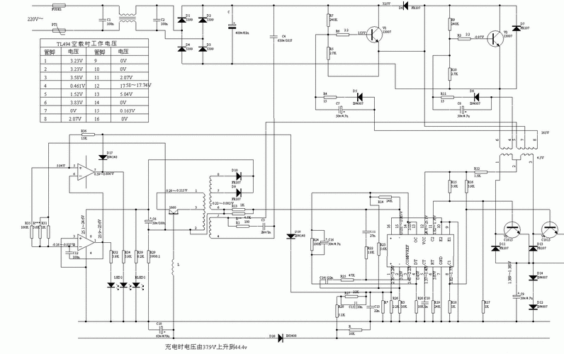
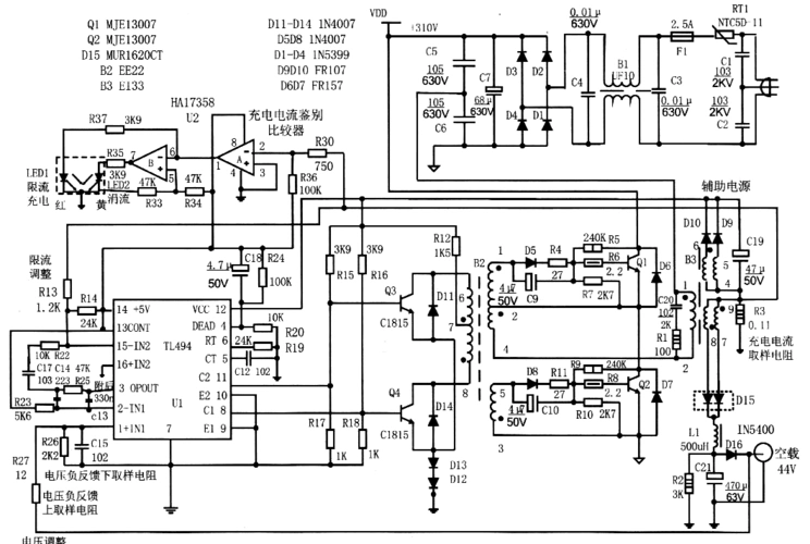
电动自行车佳腾充电器电路图

电动车充电器电路原理图

收集电动车充电器电路图30张,以备不时之需

电动车 充电器电路图

随机推荐

周杰伦和昆凌在巴黎度假 公举飙魔术昆凌晒美照

护栏网红楼梯扶手自装自建建房木质木头栏杆楼梯扶手

武陵岩漂流 武陵奇峡一日游

fgo两仪式美图赏——剑式和服篇(十三)

40到60岁的女性,短发这样整,很美很减龄_发型_魅力_层次

q版五月天 阿信

aj男鞋空军一号高帮鞋海贼王联名索隆潮鞋高邦鞋男高帮鞋

buy ferrero kinder joy / kinder surprise chocolate eggs in bulk