东阿发团:99元游--{首条}亲子旅游最佳地【泰安豆瓣乐园】欢乐一日游

相关图片

豆瓣乐园

东阿发团99元游首条亲子旅游最佳地泰安豆瓣乐园欢乐一日游室内

2022泰安豆瓣乐园门票价格及优惠政策附购票入口

家门口的儿童乐园 大型儿童玩乐城"豆瓣乐园"8月份即将开启

豆瓣乐园

随机推荐

我的大明星生日快乐呀 #易烊千玺 #易烊千玺23岁生日

"风水轮流转",59岁复出的张卫健,"处境"越发尴尬了_演唱会_头发

也有人表示,只要对刘亦菲有深入了解的人,都会明白她与陈金飞之间只是

fie包包流金岁月倪妮朱锁锁同款黄色衬衫休闲雪纺衬衫

包臀裙开叉裙一步裙中长款半身裙韩版裙女高腰显瘦修身2023秋冬款

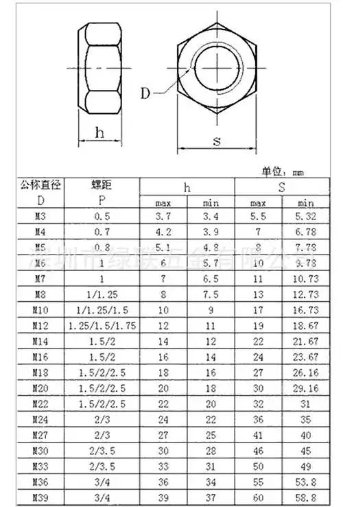
【不锈钢304金属自锁螺母 din980全金属锁紧螺帽】价格,批发,供应商厂

深圳校服莎臣豹中学男生款夏季礼服套装180cm

生活中的杠杆 观察下面这几个图中的工具,想一 想,它们有什么共同特点