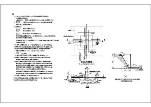
某工程筏板基础节点构造详图

相关图片

这个大样图是筏板基础?

筏板基础(梁式),很详细的图纸,包括筏板梁配筋与板配筋,筏板大样等等

有梁式筏板基础,基础梁的标高在什么位置?

筏板基础有一块一块的吗内附详图

5分钟弄清平板式和梁板式筏板基础!

随机推荐

任贤齐:被遗忘的"末代天王",曾经有一个时代是属于的!

招财童子之国民小财神-动漫壁纸-高清动漫图片-第14图-娟娟壁纸

谭松韵李尖尖

衣柜门颜色颜值巅峰张什么样

云南玉溪衡水实验中学这些宿舍受biao表彰啦!有你的吗?

塑钢打包机单把拉紧器捆扎机手动打包机古达塑料带手工打包机

word妈蒋劲夫晒大白腿 画面怎么有点污(图)

angelababy机车短发造型##angelababy短发怼脸花絮视频