自锁电路

相关图片

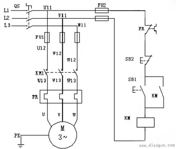
图1 电机自锁控制电路图

电机自锁接线图 - 电路图分享_电工学习网

电气控制中的自锁

三相异步电动机自锁控制电路

求这张三相异步电动机自锁正转控制线路电气原理图的实物图,不知道

随机推荐

唯美治愈系可爱女孩壁纸,#抖音图文来了 #动漫 #壁纸#宫崎 - 抖音

之前就很喜欢《孤注》,没想到又火了#王源王源王源王源王源王源 - 抖

免抠元素🔥|欧式花纹边框🔥

红霉素软膏(福元)(红霉素软膏)_说明书_作用_效果_价格_百度健康商城

上游61文荟丨午读丨这组漫画太幽默精辟了组图

健身女神的自拍,这样的好身材不仅女生想拥有,男生也想要

今年入坑钩织,每天钩织各种小摆件,今天完工一个向

将剪纸与轴对称结合在一起,帮助同学们进一步加强对轴对称图形的认识