可爱女生头像卡通呆萌q版

相关图片

萌哒小猪仔由晓晓编辑整理,是 可爱图片中的原创作品,发表于2020-04

2020最火壁纸动漫可爱,2020最火壁纸可爱-图片大观-奇异网

呆萌可爱的蛋饼头像卡通2020卡通头像搞怪可爱萌萌哒图片

高清治愈系的2021头像可爱呆萌猫图片

微信头像女生可爱又呆萌_腾讯新闻

随机推荐

珍藏版迪丽热巴早期清纯写真,萌萌哒的热巴好可爱

2018蔡徐坤《偶像练习生》第二次公开录制_高清图片大全-爱豆app

简单干净的四字网名 独一无二的微信昵称 #网名推荐 #好听的

【图】活着再见陈蓉图片引热议 靠实力完美演绎刘亚男_大陆星闻_明星

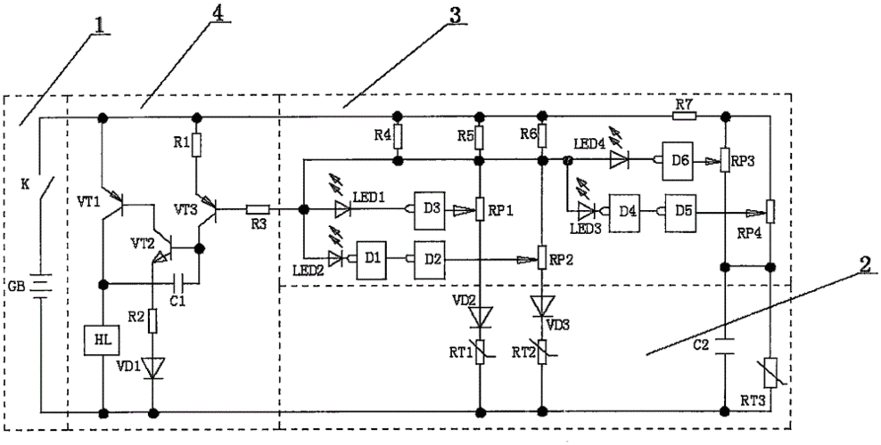
一种自动控温的燃气热水器制造技术,自动控温电饼铛专利_技高网

青岛建筑浙江路天主教堂

fila斐乐官方男士短袖polo2021年秋季新款针织运动polo衫

北京地铁线路图.