逆变焊机完整电路图图片大全

相关图片

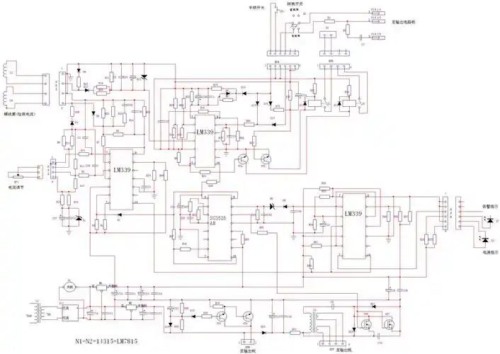
逆变焊机维修电路原理图

资源分享电焊机电路图与维修范例

逆变焊机电路图 - 一脑袋浆糊 - 稀里糊涂

逆变氩弧焊机电路图.jpg

弧焊机电路图

随机推荐

侠侣》里那个被公孙止无情地挑断手脚筋,打落地穴靠枣核为生的裘千尺

成毅古装照 - 抖音

fila代言人蔡徐坤

小僵尸图片,小僵尸(呆萌可爱小僵尸高清手机壁纸)

男女秋冬加棉大阅兵长筒马靴队高筒军靴骑马靴舞台表演靴 黑色男款单

从被强暴者到怪物——蛇发女妖美杜莎

电影新闻 2012香港国际影视展昨天开幕,青春纯爱影片《第一次》于

戴口罩的男生头像冷酷的(男头像帅气冷漠戴口罩) - 搞怪个性头像 - 艾