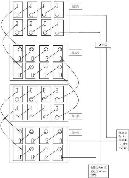
展开全部 这个图是两组蓄电池串联图,一般用的很少.

相关图片

ups_a32电池箱内电池连接示意图_2组独立

ups蓄电池设备安装方案

ups电池并联和串联有什么不同

由于安装ups及电池的空间有限_接线图分享

数字电视机房ups电池安装图片

随机推荐

娱乐表情包为什么会这样啊全世界又开始心疼沙溢

【求图】求q版萌图_动漫图片吧_百度贴吧

我的大汗滴下来了 - 流汗无语qq表情图片大全

lindbergspirit无框系列复古圆镜

梅花逊雪三分白,雪花欠梅一分香#雪中梅花 #唯美意境 - 抖音

高清好看的冷酷帅气侧脸男头图片

第五人格:红蝶调整在即,"般若相"以身士卒!归宿成为"归宿"

strong>沙滩 /strong>风光简笔画图片,画法-儿童简笔画大全