红外接收电路,三极管放大电路原理

相关图片

dxp实作 单管放大电路ppt

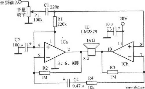
lm2879-12w桥式音频功率放大电路_原理图论坛_单片机电路论坛_mcu资讯

loto课5:三极管音频放大电路实践

三极管放大器电路设计报告

输出电流达10a的功率放大电路

随机推荐

朴宝英#【韩网新闻翻译】o网页链接演员朴宝英现在真正是获得了"缆

鱼蛋哥韩国炸鸡餐厅(总店)

老态不再46岁吴彦祖秀自拍颜值回春网友男神终于回来了

生肖动物的简笔画图片十二生肖动物的简笔画图片超可爱十二生肖简笔画

为宣传自家艺人把鞠婧祎剪掉,公然diss节目组,这操作不一般_许佳琪

地虎究极

纯手绘素描人物肖像画,#绘画过程分享 感恩所有的相遇,祝福友 - 抖音

水景vip水景vip水景观设计