维修ups蓄电池充电板

相关图片

全自动镉镍电池充电器电路

2v锂电池充电电路图

锂电池充电器电路

锂电池充电电路

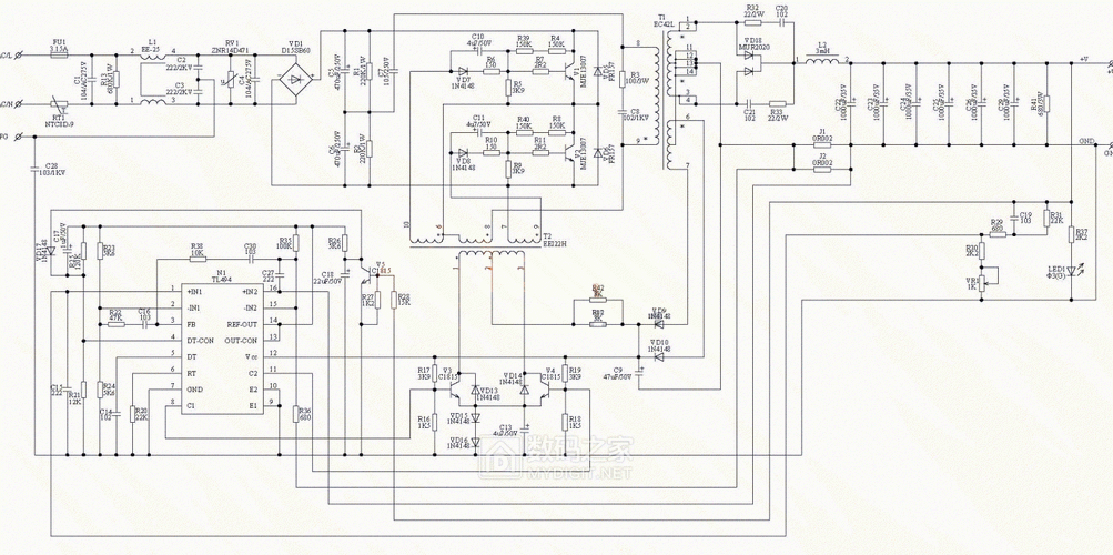
电路原理图见下图:手机(或其它小电器)充电器多如牛毛,不同厂家的电路

随机推荐

贾玲真的很会搭配穿的裙子可爱还甜美比其他女明星更有特色

王俊凯头像

50个高清无水印动态表情包,赶快来保存,别错过还有动漫表情包哦

超美的古风封面壁纸

朴灿烈狼背头

男生头像寂寞孤独伤感绝望_微信头像图片大全

王琳琳周边中转站超话#小鬼王琳凯##王琳凯#小鬼王琳凯 签名照带证书

猪之歌 歌谱简谱网