收集电动车充电器电路图30张,以备不时之需

相关图片

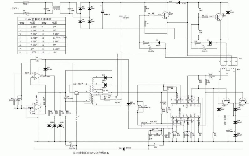
纸上谈兵之手抄72v电瓶车充电器电路

电瓶车充电器电路图

电动车gd36充电器电路图

12v汽车电瓶充电器电路图

该铅酸蓄电池充电器电路由电源稳压电路,电压检测器和充电控制电路等

随机推荐

看完明星婚礼他们的桂宁宴也是焦点

苏有朋##苏有朋你有什么愧疚

活动作品もしもし睡柱我妻善逸4k超燃合集不要心动挑战

衡州小学校本课程小发明小制作班 - 美篇

越剪越时尚男发15款,又帅又有型,你最想剪哪一款|发型|脸型|烫发|短发

一寸相思低调杀青邹廷威挑战心机boy文宗主引期待

汤鲜味美,好吃到舔碗的紫菜鸡蛋粉丝汤~ 91今天分享一款简单好做的

铜人活雕塑真人行为艺术衣服装老北京仿古铜人服装道具活体雕塑包