不间断电源蓄电池接线图 apcups电源

相关图片

如果有电池盒,将电池串起来,并根据需要连接到主机.4.对于大型vaups

ups接线安装实例

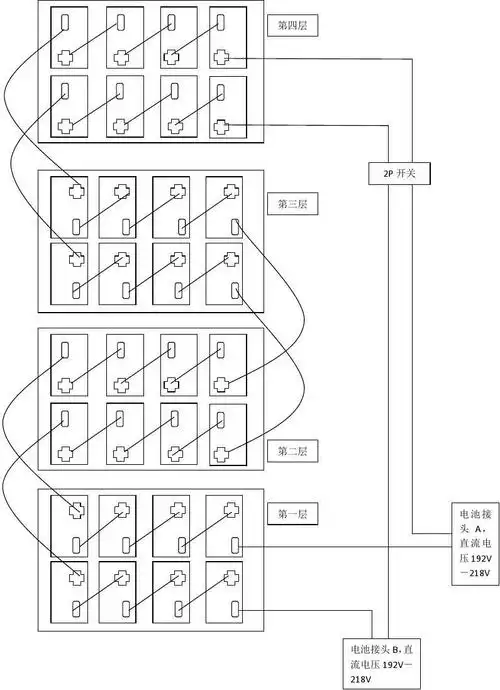
ups_a32电池箱内电池连接示意图_2组独立

2kva 72vups电源蓄电池安装图示

储能ups电池组接线图解

随机推荐

45岁陈乔恩结婚后更美了! 甜美减龄,满满少女感|裙子|

为什么洗发水和护发素可以清洁和护理你的头发?

42岁郭晶晶魅力十足!跳水女王夺27个冠军嫁百亿富豪_霍启刚_香港_选手

王一博0805生日快乐#yibo#王一博所在即舞台#看王一博跳舞,真的是一

时代少年团喊你拍合照,时代少年团结婚 - 抖音

赵露思是怎么出道的?

弦子

爱豆头像,头像姜涩琪//0803边桀 图源向橙