双庆中学电路图复习专题答案ppt

相关图片

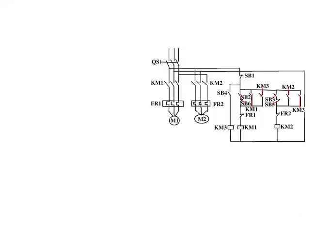
中国工控 |电工实操考核中,最经典的7张电路图(高清收藏版)

电工实操考核中,最经典的7张电路图(高清收藏版)

求:电工电路图

这个是手画的电路图 这个电路经常出现输出-100v 电源电压

电工,电气,电路图,电学.

随机推荐

化妆的美女脸部图片

巩俐老师年轻的时候也是很有料的,妥妥的大美女一个

潮流酒吧派对背景图

ins风电脑桌面壁纸

头像男带玫瑰花的 男生头像图片大全 -【爱个性】

宋威龙超话#宋威龙0325生日快乐#抽3人送#宋威龙生日#见面会签名照在

标签:动漫,帅哥,超酷

【龙族秘录①】烛龙,乾坤明灵主 97日月光辉王97还是7315乾坤