刘雨昕好帅啊

相关图片

刘雨昕出道三周年橙色写真##刘雨昕出道三周年写真照

the9刘雨昕清爽利落时尚写真

刘雨昕

刘雨昕冬梦之约路透!_高清图集_新浪网

歌手刘雨昕,酷女孩的时尚大片,请看帅照吧

随机推荐

煮饺子时,开锅下入易破皮,牢记3步,煮饺子不破皮不露馅_手机搜狐网

王心凌个人资料(王心凌那些你不知道的秘密)-第2张图片

坚持八年庆生,杨幂在娱乐圈中最好的朋友为何是周笔畅?

伟大的母爱图片最伟大的母爱看完这几张图

靳东个人资料简介(靳东个人资料简介图片)

测发型测你适合哪款发型软件免费#根据脸型设计发型 #你的脸型 - 抖音

原来佛像也能不这么帅!如来,菩萨,明王等日本佛像大解析

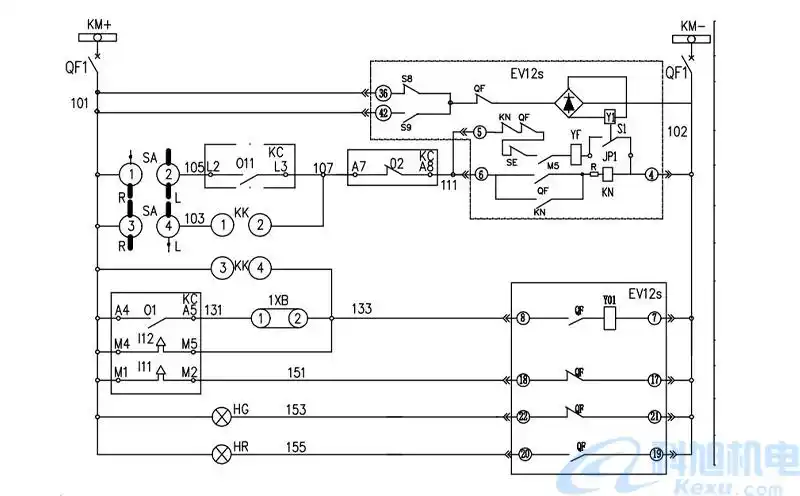
施耐德真空断路器结构单元与控制接线图