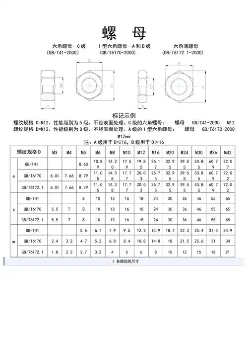
国标螺母尺寸规格表

相关图片

螺母螺栓尺寸对应表

内六角螺栓及螺母尺寸表

螺栓螺母扭矩对照表

内六角螺栓和螺母尺寸表

螺母规格表

随机推荐

宋承宪陪女友玩过山车?网友:神仙姐姐更好看

不过他结婚的事还是有些争议,因为他的妻子有时候会因为一些

熊猫人暴漫抖音武林秘籍武功功夫武功秘籍gif动图_动态图_表情包下载

《星光大赏》时,粉丝们给了肖战一片红海,看过了《奇妙之城》特别篇里

喜剧之王简谱-李荣浩-我的断肠与夸张1

你猜:中国究竟有多少个新能源汽车品牌?

原色猫游泳裤男防尴尬长款显大个性速干五分男生泳裤纯色款可拆卸防