男士凌乱前刺 男士发型|不用打理的男生发型

相关图片

男士发型款式太单调,其实还真不是,两侧铲短很百变的,前刺头就是其中

男生发型推荐:立体前刺短发 日常好打理,显精神

969969♂15 男生锡纸前刺发型 7015 78 想尝 - 抖音

今日发型# #圆脸发型推荐# #发型# #男士发型参考# #男士发型# #前刺

南京男士理发 男生摩根烫 男生前刺头 男生钢夹烫 男生发型 分

随机推荐

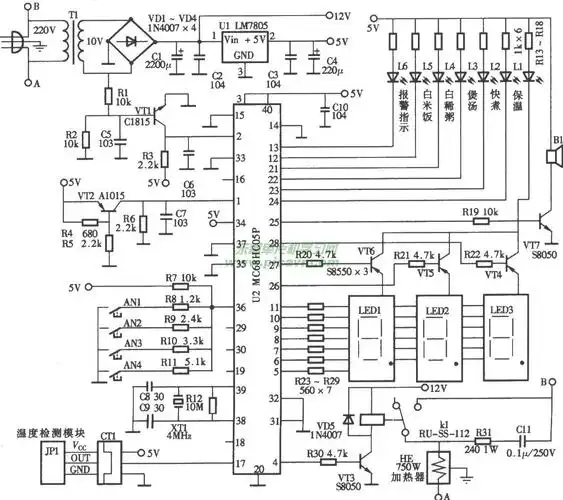
电饭锅智能模糊控制电路图

蔡徐坤发新写真即将出新歌,意图全面复出,为翻红不择手段去媚粉|杨颖

难得一见的动漫人物插画,小女生的最爱!

霸气超拽ins风高冷男头像真人系列黑暗系潮流男头图片大全

新浪娱乐讯 近日,颜丙燕作为第三届中国国际微电影展主竞赛单元评委

快乐酷宝阿酷波斯竟公然袭警这也太猖狂了吧

当外轨略高于内轨时 火车转弯所需的向 心力的方向是在水 平方向上

一口气看完老版熊出没解说,熊大的屁股莫名着火了,熊二直接对着熊大的