ups电源ups电池安装维护ups维修保养不间断电源价格

相关图片

施耐德ups接线图解-施耐德apcups电源代理商

ups接线图与维修说明

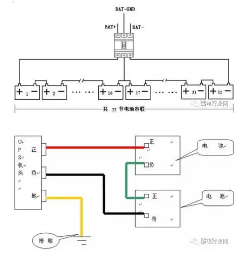
ups系统安装主要是蓄电池之间连接,蓄电池与ups主机之间的连接.

关于ups接线图与四种工作方式详解

买了ups电源却不知道如何接线四张图片教会你

随机推荐

动漫头像:女生傲娇二次元头像指到的人不许动

英文网名女生简单气质 愿你余生温柔岁月~ 注:二转请艾特

justin黄明昊 - 堆糖,美图壁纸兴趣社区

中国式城堡为什么不一样

海洋世界小动物简笔画教程简笔画教程文化绘画海底世界简笔画怎么画

跟解金峰老师学画山水画二山水画的点景

路法西,不满服务人类的天使,堕入地狱的恶魔

谁的皮肤经历过这种 脸粗糙 有雀斑 痘印 痣 还黑黑的 经历过的球大神