应用案例 | 变频器在螺杆空压机上的应用方案_压力

相关图片

气泵和空压机傻傻的分不清楚,空压机怎么接线?一张实物参考图

螺杆空压机 #压缩机 #螺杆机 15kw二手工频机 280 - 抖音

开山27-22空压机,二手螺杆空压 - 抖音

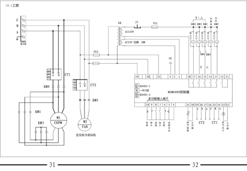
华达永磁变频螺杆式空压机操作说明书电气接线图

大型节能压缩机 开山牌 空气 电固螺杆空压机 湖南厂家批发零售

随机推荐

刘亦菲十七岁颜值巅峰时期仙女下凡最美诠释爱情开始的地方

向华强年轻时长啥样当照片流出才知为啥成龙怕他关之琳爱他

古风素材古风美人参考古风发型

零基础素描风景 超级简单又有氛围的风景画,画起来!

鱿鱼圈_泰祥酥炸鱿鱼唐扬鱿鱼冷冻裹粉鱿鱼油炸鱿鱼圈半成品菜炸鱿鱼

玩具恐怖图片

男儿不展风云志 空负天生八尺躯.#完美身材 #撩起衣服就是腹 - 抖音

ipad有让人眼前一亮的壁纸吗?