交流接触器的a1 a2线圈接点怎么接线

相关图片

两个接触器温度控制器接线图

用一个浮球和一个交流接触器手动自动控制三相潜水泵接线图

一台三相水泵,一个启动按钮和一个停止按钮加上接触器和续电器,hh52p

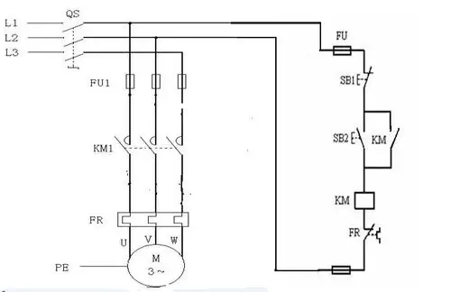
电力拖动保护的接触器自锁正转控制线路接线图

接触器 热继电器 中间继电器 双联按钮 的接线图 是控制17千瓦潜水泵?

随机推荐

贾静雯10张精美的照片

黄子韬身穿五彩外套现身机场 受邀启程戛纳电影节

在外人眼里那么不同的两个人,却甜蜜蜜了12年,真的太神奇了.

个人求职简历四页2应聘履历参考模板可编辑修改

壁纸 可爱的两只小猫,在草地上行走 5120x2880 uhd 5k 高清壁纸, 图片

上热门 李白vs杜甫,你更喜欢谁? #有声漫画 #原 - 抖音

脚踝彼岸花_纹身图案手稿图片_陈建涛的纹身作品集

盗墓笔记中的张起灵是因为什么才会不老的