原创作品:膏药海报

相关图片

海报膏药中国风国风

翁寿堂筋骨活络贴~膏药去痛快

海报 膏药 中国风 国风

11:55:10骨痛 膏药 左传筋骨贴g - 产品海报(已使用)jj将故事写成我们

膏药海报

随机推荐

tfboys王俊凯# #tfboys# 饭绘 cr……_来自王俊凯的专属小螃蟹7旱的

虎牙-血色户外虎子525_20200729中午吃烤羊直播回放2

体育中心内繁忙的景象,一个大型演唱会的舞台正在紧锣密鼓地搭建中

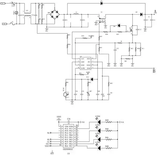
锂电池充电器电路

【唱歌技巧和发声方法】用丹田唱歌的练习方法!_腹部

鬼灭之刃q版 可可爱爱 大头脑袋 表情/头像皆93

戴琳斯,她的聪明和幽默,让darcylewis成为好感度很高

性感与自我:那英昔日写真的性感,时尚或不拘一格思考