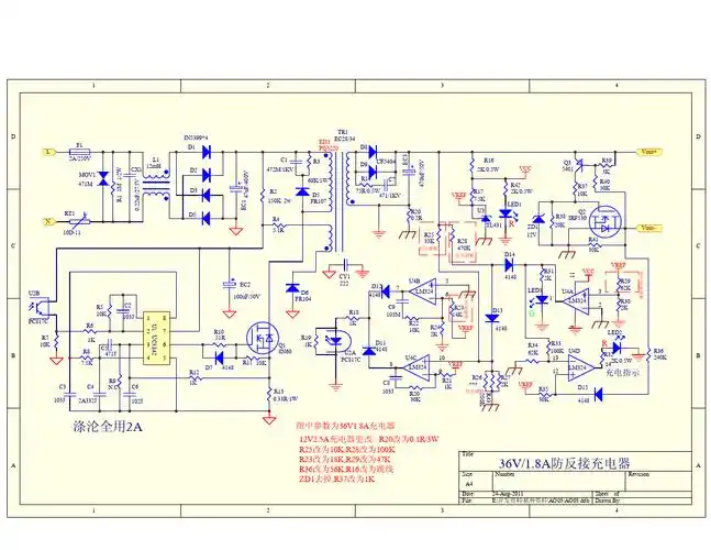
一文把30张电动车充电器电路图工作原理了解的明明白白

相关图片

三段式充电器原理图

电动车充电器图 - 抖音

电动车充电器电路图原理图电瓶车故障分析检修教程维修方法图纸

2v2a充电器原理图

常见手机充电器电路图1.doc

随机推荐

哭着看蔡徐坤借位吻

陈伟霆身穿黑白毛绒外套内搭黑白针织衫,米白色look搭配碎刘海发型

曹颖陈晓陈妍希佟大为关悦沙溢胡可高圆圆赵又廷向佐郭碧婷冯德伦舒淇

范丞丞金色挑染##范丞丞官宣澳门国际喜剧节

孙俪和蒋勤勤,是怎么做到长得这么像的同时,一个这么漂亮,一个又这么

exo 边伯贤 明星 美男

遥芷学生穿的春秋裤子校服裤子藏蓝色校裤男女初高中黑色黄边运动裤春

古代帆船模型装饰摆件一帆风顺木质明朝郑和西洋工艺船