韩式发型中长发卷发(新爆款发型15款全烫卷半扎发)(15)

相关图片

慵懒的微卷中长发什么脸型都适用!内扣烫发 气垫烫 - 抖音

女生一定要尝试的中长发烫发,太美啦_发型造型_宝妈时尚生活网

好看的发型中长发烫发(精选中发烫发发型)(1)

好看的中长发烫发图片 尽显女生优雅温柔气质 - 女士卷发 - 发型站

中长发气垫烫什么发型好看(今年流行减龄全头烫发型)(28)

随机推荐

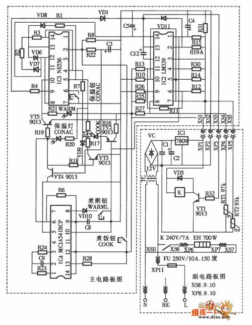
美的牌cfxb4032型电饭煲电路图

迪丽热巴头像

虚线形状的野兽惊奇狐狸可爱

向全世界墙裂安利奶拽拉普李十七_书籍_李政_娱乐_明星娱乐资讯

男士烫发张一山同款发型碎盖发型

跨境pu发泡彩印减压鸡蛋复活节彩蛋减压玩具慢回弹多款图案鸡蛋球

攻气十足的动漫男生头像点击鼠标右键下载

二次元 动漫 古风 女头