ups系统安装主要是蓄电池之间连接,蓄电池与ups主机之间的连接.

相关图片

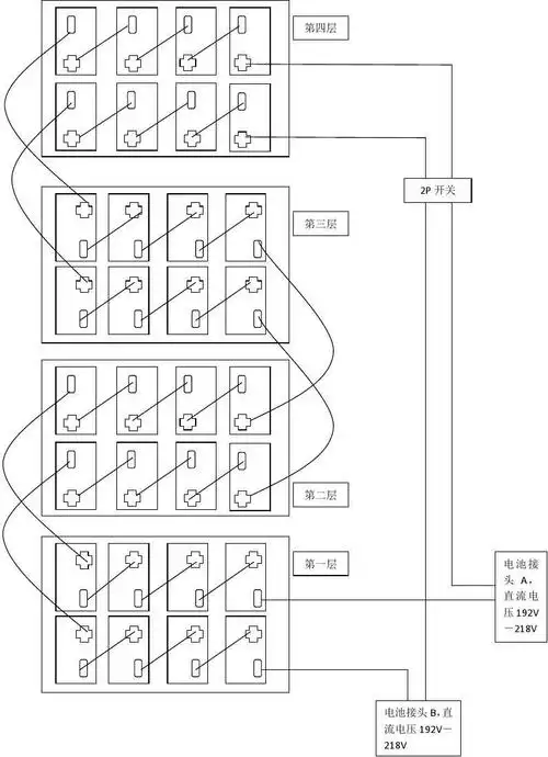
ups_a32电池箱内电池连接示意图_2组独立

ups接线图与维修说明

ups蓄电池设备安装方案

ups接线图

apc的ups电池线中性线的连接

随机推荐

吴磊古装角色2:《长歌行》阿史那隼

王俊凯q版动漫照片,撕漫男本男,你绝对没见过的!

tnt时代少年团##时代少年团贺峻霖##abt##ootd##明星同款##跟着明星

没错我就是要做爱 - 还能不能好好说话了_好好说话_装逼_撩妹撩汉表情

简约大气的蓝色系手机壁纸 谁是真心谁是假意

七夕节情侣浪漫图片手机壁纸

欣赏这些可爱的鼠卡通画,新年就会有"鼠"不尽的乐趣

沙雕搞笑表情包图片_设计幽默搞笑图片_乐美图网