一,工程概况:本施工图为康乐健身房增设垂直电梯工程.

相关图片

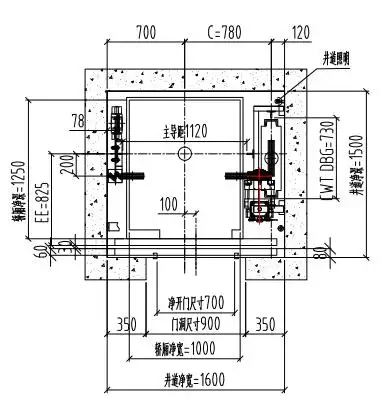
一般家用电梯井结构设计施工图(含大样图)

某电梯井钢结构做法节点构造详图

1600mm1500mm土建井道小型家用电梯设计图纸

[分享]钢结构玻璃采光井施工资料免费下载

电梯井道的等电位联结是每层都有还是只是基坑有

随机推荐

月亮湖(内蒙古阿拉善左旗月亮湖)_摘编百科

英国mimmo manes 工作室的创意活动海报排版设计欣赏!__财经头条

动物头像超可爱的动物头像最后一张我爱了

高冷氧气少女清新性感精致白嫩迷人写真,高清壁纸图片,大陆美女-回车

付梦妮

世界最高耶稣像不仅在波兰,而且头顶上还有"高科技"!

赵云的老婆是谁,樊夫人/马云騄/李翠莲(堪比貂蝉)

十二星座 天蝎座的拉丁文简写是什么 代表天蝎的符号 爱情事业 | 2019