黄明昊蔡徐坤头像

相关图片

自制黄明昊滤镜头像抱图dd

黄明昊蔡徐坤

007.黄明昊头像

蔡徐坤范丞丞朱正廷justin ,偶像练习生们的时尚竟如此不可小觑!

头像-黄明昊帅照-话本小说网

随机推荐

>耳鼻喉科

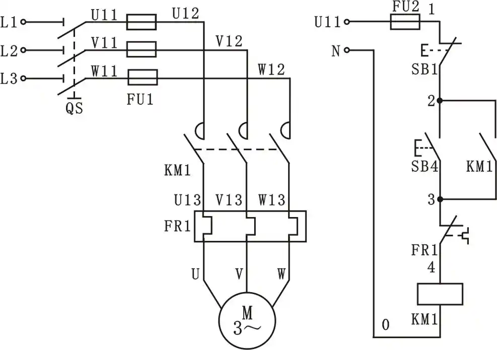
实训三 三相异步电动机自锁控制电路

台湾女歌手全部名单(台湾8090年代女歌手)-图7

废旧物品手工制作,废旧物品手工制作(却成了多格的收纳袋和神器)

东海实业无尾钢丝螺套st无尾螺套无尾衬套

修正 六味地黄胶囊36粒/盒滋阴补肾肾阴亏损头晕耳鸣gt

风水好的山水微信头像 女人专用微信头像山水-万年历网

络活喜苯磺酸氨氯地平片5mg