交流接触器的接法

相关图片

交流接触器简单接线图

接触器实物接线图-380v220v交流接触器接线图

2个按钮加2个cjx2-253(380v)交流接触器点控接线图

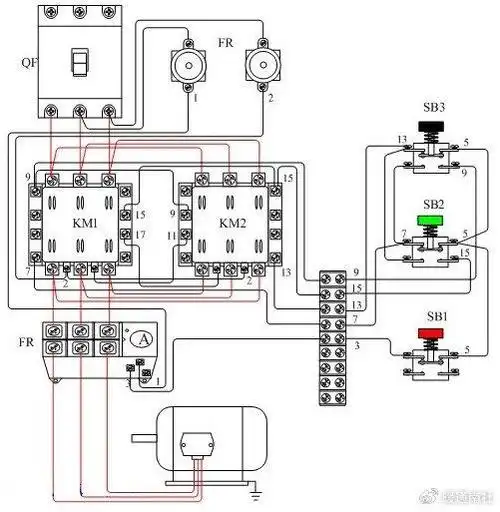
双速电机3个交流接触器怎样接线

三相交流接触器具体连接方法

随机推荐

肖战×王一博时尚芭莎摄影 - 高清图片,堆糖,美图壁纸兴趣社区

和老婆因养猫结缘|杨幂|唐嫣|男神|明星艺人|胡歌官宣升级做爸爸_网易

李知恩丨蓝发iu人间宝藏

华晨宇整容网红前照片对比图 华晨宇个人资料介绍家世家产有多少亿

具有开心果体质的3个属相女,笑口常开,给人快乐,福气深厚

明星图片人气歌手梁静茹热辣美女文章小虾米

斑头像系列宇智波斑高清黑白头像

【安洁莉娜/2h速涂】"早安博士!