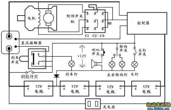
48v电动三轮车电路图

相关图片

电动三轮车线路图

一款常见的三速电动车电路图

电动三轮电路图详解?

台铃60 v电动车三轮车486501控制器接线图

电动三轮车接线原理图6.doc

随机推荐

简约蓝色双面封面图片背景

早上好!朋友愿你健康快乐,平安幸福永相伴!

南京盛夏的行道树随拍

通过视频,女生的身份很快就被曝光,正是参加过《创造101》的吴茜.

情感语录|你会发现原来每个人都有一样的秘密

原型图6p

下雨天的经典句子心情短语

四喜人玩具吉祥物设计