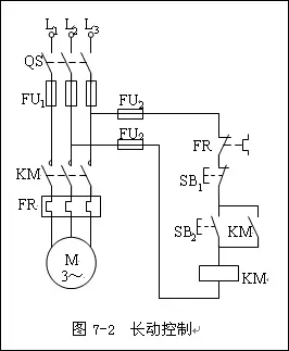
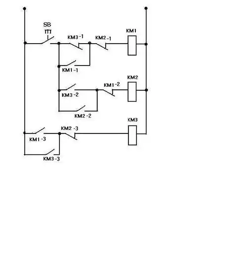
一处启动与两处停止的电动机控制电路

相关图片

电动机连续运行,停止 a qs fu b c 停车 sb1 按钮 起动 按钮 km sb2

一个按钮控制电动机启停电路图

220v的cjx3210交流接触器 启动按钮 停止按钮 cds11电动机保护器怎么

单按钮启停电路图

电动机启动停止电路图

随机推荐

肖战《玉骨遥》与代拍对望,一身白色造型太仙气,令人期待正片!

郑州民政局婚姻登记处上班时间 涉外婚姻登记办理流程

抖音超火表情包67小猫咪能有什么坏心眼呢

看郑爽小时候的照片,真的有种我家有女初长成的感觉!

跳刀跳刀选择暂时休息 此后将直播解说ti8-dota2官网合作专区-dota2

酷女孩就梳小脏辫发型 非主流女孩偏爱的小脏辫这样编

共39 件庄心妍海报相关商品

商场开业|空间|舞台美术|三云 - 原创作品 - 站酷 (zcool)