dn50安全泄压阀,ax742x持压阀 安装示意图

相关图片

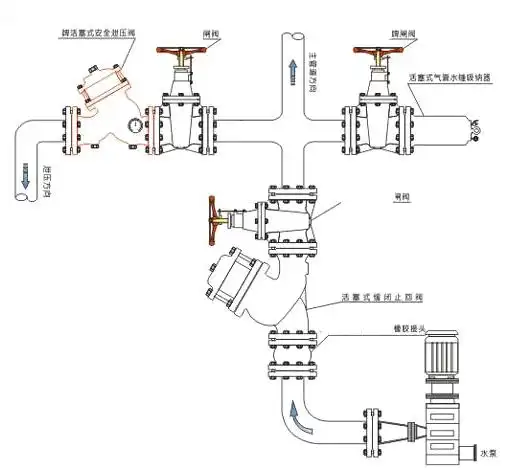
yq98002过滤活塞式安全泄压阀安装图

安全阀在安装前应由专业人员进行水压试验和气密性试验,经试验合格后

安全阀的安装

500x泄压阀

安全阀安装方法及注意事项

随机推荐

张卫健因为一句话留了二十年光头,太有志气了!

群霸气头像背影图片大全 霸气头像图片大全 -【爱个性】

谢霆锋和容祖儿

sexy man说这些这全身照谁看不迷糊 @刘宪华henry-lau的身材比例就

170和180的男生,到底差在哪里

2023微信暴漫撩妹表情包大全下载_最新暴漫撩妹表情包大全_包来_风格

请问这是正峰欧巴的情侣头吗

女装秋装韩版风衣