隶书新作"志存高远腹有诗书"联句(每日一品第1201期)

相关图片

隶书新作"读书常戒勤者不可"联句(每日一品第1691期)

弘一法师距今140年,其名言警句有多少?武锋老师的隶书告诉您!

借古开新丁凤银老师隶书欣赏

名言,我把《劝学》篇中一个精华段落书写下来作为释文(见书法左半部

隶书新作荀子劝学篇名句(每日一品第1102期)

随机推荐

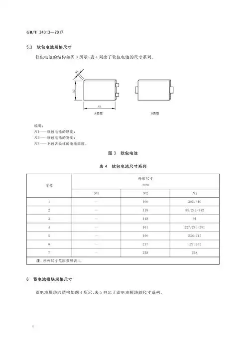
电动汽车用动力蓄电池产品规格尺寸

12个人的exo 自然乐园合照

原创张真源头像五连发

手指上的日出

可爱萌宠喵星人治愈系唯美高清桌面壁纸下载

小提琴持弓方法讲析

背篓声乐考级(童声十级)歌曲

macjabags尖头气质法式高跟鞋女细跟2024年新款小香风蝴蝶结浅口单鞋