本山大叔眼光一直可以的,大脚婶儿年轻时也好看.

相关图片

为爱两度下跪,四次流产,孙红雷前女友丁嘉丽的悲惨情史

丁嘉丽,年轻的时候我没管好下半身,后半生我都在为此感到忏悔

丁嘉丽:年轻时没管好下半身,对不起一双儿女,余生向佛忏悔一生

九,丁嘉丽丁嘉丽1959年出生于黑龙江佳木斯市,国家话剧院一级演员.

丁嘉丽感情坎坷,看到她年轻时的照片,难怪孙红雷会喜欢

随机推荐

《微微一笑很倾城》的收视率相当不错,郑爽和杨洋在这部剧中出演了

澳大利亚动物

不忘初心一《承德县医院打造有温度的医护团队》培训四期

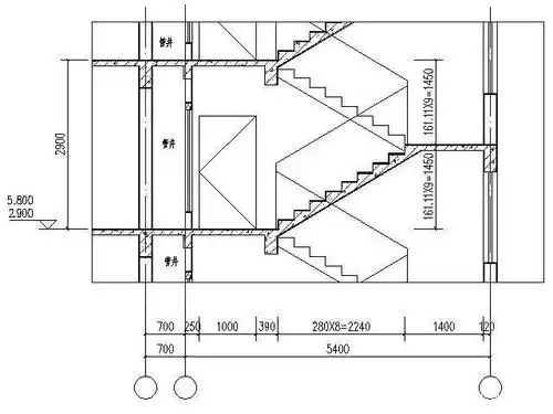
如何设计一部多层住宅的楼梯,设计依据是什么?

不想长大_歌谱简谱_哆来咪123曲谱网

【回忆杀】蓝色生死恋(上)

黄金配角李乃文拍戏17年不温不火错过颜丙燕如今传出新恋情

赵子琪:"换个活法",在百变角色中成就更好的自己