功放电路图大全(四)

相关图片

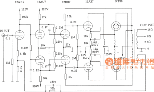
麦景图275功放级的功放电子管采用kt88

麦景图mc3500前级放大电路工作原理

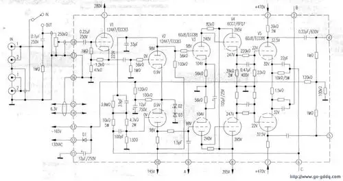
麦景图c22功率放大器电路图

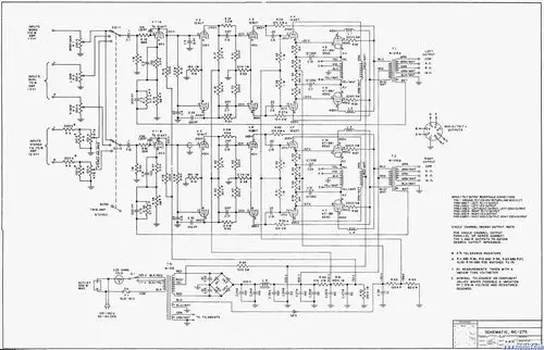
mcintosh麦景图mc175胆功放电路图

03 哪位大师,有麦景图275电路图的,发一份给我,谢谢

随机推荐

易烊千玺的军装_哔哩哔哩_bilibili

supercool##张艺兴是个考公的好苗子

唯美校园~天津理工大学

乘风破浪的姐姐首场公演李斯丹妮成功晋级

疥疮图片和症状图片

山河令温周浪浪钉窗吴青峰剧情向台词双声道等你照进我的窗口

八字发型如何拍照(对于脸型不满意的姐妹怎么搭配更合适)_达一风水网

抓住夏天的尾巴来游泳啦.#夏天就是要玩水 #爱玩水的小朋友 - 抖音