"肖宇梁"神图,小哥也太帅了吧9696

相关图片

肖宇梁身穿藏袍,梦回《藏海花》中的张起灵!

终极笔记张起灵肖宇梁2

谈谈肖宇梁为何在所有饰演过小哥的演员中,成为我心中的天花板

【沙海/张起灵】【肖宇梁】小哥的剪刀腿a爆!

【肖宇梁|张起灵】小哥:"一棒子伦si你!

随机推荐

10月6日最漂亮的鲜花早上好动态图片大全美景早上好动态问候语

男士做了都显气质的发型.发量多 发量少都适合做. 两侧鬓角 - 抖音

生日快乐气氛道具室内装饰场景布置卡通通风气球

年轻时的吴奇隆有多帅气一组照片告诉你

立体雾感短发烟花摩根烫|||男生5616厘米短发推荐烟花摩根烫#男士

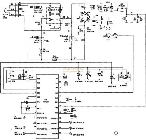
利仁2018a电饼挡电路分析与故障检修

阳信万达美华酒店

省级科技进步,_神经内科预约挂号/在线咨询_医生团队-上海华山医院