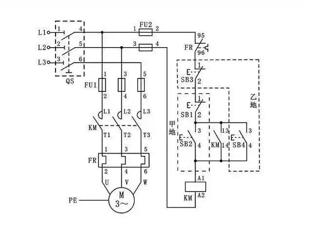
15,三相电动机异地启动控制电路.

相关图片

在正反转电路图上用时间继电器控制三相电动机,两个电机一个按sb后

三相异步电动机控制电路接线图 - 2020年最新商品信息聚合专区 - 百度

案例十 三相异步电动机正反转控制电路图详解

三相鼠笼式异步电动机 点动和自锁控制电路图

画出三相交流接触器吸合时,自锁的控制原理电路图?

随机推荐

福利巴克精选张艺兴壁纸第三十八波

小熊清新可爱壁纸图片

邓伦古风头像

古装剧10位男星束发vs披发任嘉伦杨洋都超帅

适合脸大,头型尖的人群@dou 小助手(脸偏圆适合什么发型男图片) - 冷

左小青身材有多撩人?当她下水那一刻,网友:"真是人间尤物"

卡通励志图片带字女生图片

巴啦啦小魔仙之魔法星缘堡