【银川七幼】小四班亲子科技作品展

相关图片

淮外科技节:科技小制作活动和科技模型制作活动优秀作品

合作路小学学区科技节小制作一等奖作品展示

hui)太阳能遥控车中小学生手工制作材料包科学实验科技创新小发明作品

高二通用技术制作台灯高中作品手工diy科技科学实验

海口中学第九届科技节四年级科技作品展

随机推荐

张艺兴演艺生活像烟花大家似曾见过却不记得它的模样大航海演唱会后台

任嘉伦工作室分享活动精修照,手上戴着珍珠戒指彰显贵气,男生也可以用

电脑主题壁纸分享

汝官窑葵花型水仙花盆.#宋瓷 #汝窑 #汝瓷 #文物 - 抖音

《草莓甜心:莓家小姐妹历险记》strawberryshortcakesberrybitty

金晨竟又练胸了,简直是身材内卷之王!_魅力_女性_的项目

丝境摇摇椅躺椅折叠竹躺椅懒人椅竹子躺椅折叠逍遥椅老人午休休闲椅

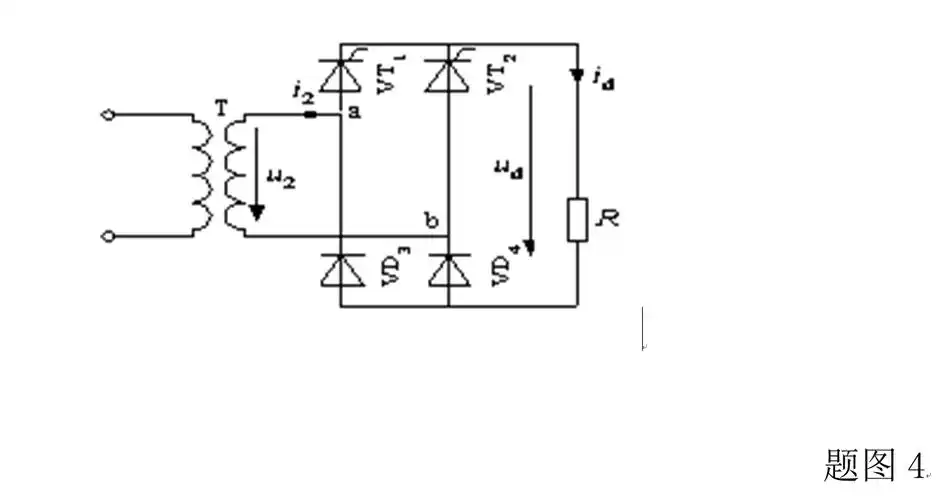
如图所示的单相半控桥整流电路,有一纯电阻负载,需要可调的直流电源