同口100a三元铁理60v64v72v温控均衡锂电池电池组保护电动车电池

相关图片

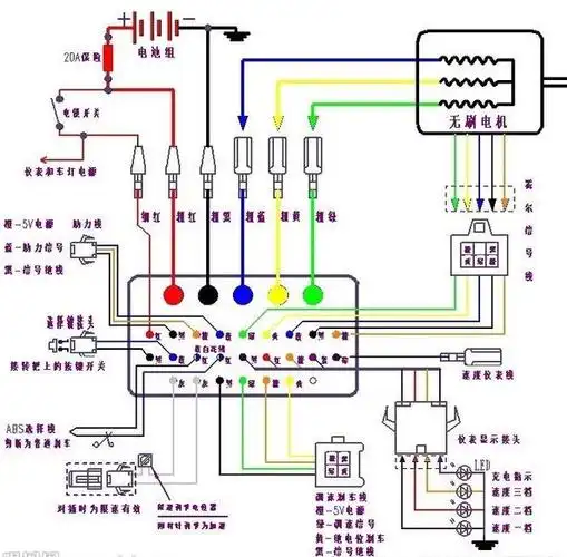
48v电动车控制器接线图电源锁控制器细供红线接电源,锁黄线接在什么土

五菱荣光电瓶接线图

东风车蓄电池没电,24v的蓄电池怎么跨接启动!

但是电压高了,管理起来不容易,对电瓶和电路都有一定的要求考验,所以

电动车60伏改72伏不用换控制器,怎样加电瓶和接线?

随机推荐

【梓摄影】古装摄影古风艺术照古装美人梓摄影客片古装写真

古风壁纸 - 人物手绘 cr:未知手机壁纸/唯美壁纸/聊天背景/小清新ins

甜蜜,小清新情侣壁纸:希望生命中遇到对的人,加油

锦绣未央-李长乐-李心艾饰

兽药盐酸左旋咪唑片左旋咪唑猫狗用鸡驱虫片打虫猪用牛羊鸡鹅兽用 500

h041色红金67我们可以看到烫印色标这一页上就有多种红色金,如果你

我的旗袍轶事 - 美篇

专辑名称:黑豹 同名专辑乐队:黑豹音乐风格:摇滚 rock & roll版本:港