下一页 你可能喜欢 电磁炉原理图 电饭煲维修 美的电饭煲 电子元器件

相关图片

苏泊尔电饭煲锅盖热电阻怎么接线

电饭锅原理图(三角牌电饭煲原理图与维修)

智能电饭煲电路原理图及故障检修方法

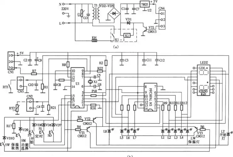
美的牌mb—yc50a型豪华电饭煲 (a)电源板电路;(b)电脑控制板电路

电饭锅蒸饭不熟就跳,怎么回事?_360问答

随机推荐

热门表情包原图精选31个表情20211006

唯美沿海海岸自然风光高清壁纸高清大图预览1920x1080_风景壁纸下载

花huā,字义,笔画,组词,造句

q版可爱动物头像,萌化你的心7815

狗仔说白鹿许凯在一起过 98仔还说白鹿许凯在一起过,女方因为事业

动漫女神壁纸拿走

紫色梦幻可爱手绘手机壁纸

商标图案设计欣赏商标设计logo图案大全