简易电焊机制作两例

相关图片

igbt逆变直流弧焊机检修纪实奥太逆变式二氧化碳气体保护焊机/二保焊

二保焊机有电压没有电流是什么原因-二保焊机价格-维修电工 - 电工屋

nbc-250 抽头式二保焊机diy (一)抽头式二氧化碳焊机的几大特点 1

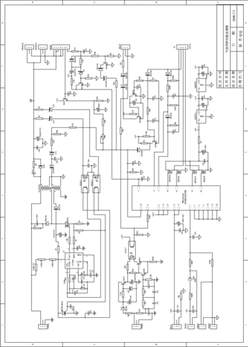
新提醒co2mig250单管igbt气体保护焊机电路原理

图片合集逆变焊机电路图wsm-200逆变氩弧焊机电路原理图

随机推荐

杨紫同款coach beat18|新年红必入包包

王一博全身图第二弹宽肩窄腰大长腿完美头身比完美体态#王一博 爱奇艺

吊坠镶嵌定制金定制虎爪熊爪虎牙熊牙老虎镶钻项坠

三格壁纸.

胡彦斌图片少年之名第一期

女生素颜高冷侧身头像 - 搜狗图片搜索

宝宝识别颜色认知卡片早教益智儿童彩色认识专注力训练卡婴儿颜色卡

灵动可爱的俏皮真人女生头像高清 甜美活泼好看的微信女生头像_女生