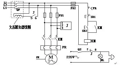
缺相保护电路图

相关图片

动机缺相保护器电路_接线图分享

三相交流电机缺相保护器

安装了电机综合保护器的电机有过载缺相保护吗_电机保护器,电动机保护

电工知识:三相电机缺相保护电路,接线步骤一一讲解

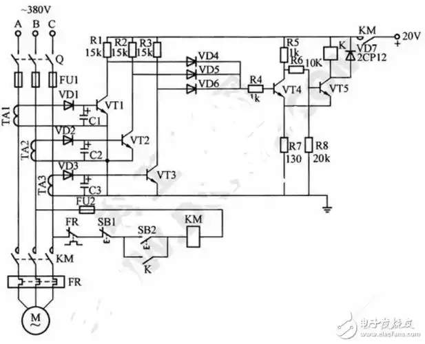
断相与相序保护继电器的接线方法图解

随机推荐

tfboys新合照就算是p的我也爱看.是有我们陪伴的十年 是 - 抖音

食物可爱简笔画搜索

年轻的中世纪农民有木杖

新神雕侠侣剧照高清电脑桌面主题壁纸图片(二)

鲜花gif生日快乐gif祝福gif闪烁gif

王志文主演的经典电视剧 -世界十大之最

ipad钢笔淡彩阳光洒落的窗户

吹梦到西洲简谱视唱第1页