美的电饭锅电路板已跟换

相关图片

电饭锅电路图实物图

有事知道宜万家电饭煲的总成开关电路能否用在万家乐的电饭锅上,二者

美的mb-yh30 40 50自动电饭锅电路图

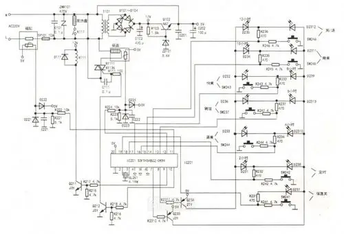
美的mg-td35 td45 td55 td65多功能自动电饭锅电路图

君吻适用美的电饭煲电源板智能主板电脑板电路线路板配件 线路板配件

随机推荐

可爱头像|怎么画可爱的小女孩|简笔画临摹素简笔画临摹头像pro

《英雄本色3》.阿杰(梅艳芳饰)

感恩祈祷双手合十戴佛珠信仰保佑平安手绘插画平面设计素材图集ai淘宝

回顾木村拓哉年轻颜值巅峰天菜模样视觉惊人_外表_因为_日剧

悦刻relx新年主题套装愉悦一刻带回家

左小青正青春(正青春)剧评

白底证件照可以穿白色衬衣么

刀剑男子长发化须我コウ的长发帅哥pixiv插画图片