《没你同行的日子》伤感人物素材

相关图片

标题:《伤痛》

悲惨伤感网名图片

灰色复古人物肖像下雨伤感女人图片

悲伤图片合集比你更悲伤的人还没有放弃内附免费图片网站

背影女生头像凄凉 女生头像图片大全 -【爱个性】

随机推荐

千玺空军大片开枪姿势太帅了

麻辣变形计火狼女出面替刺峰解决困难欲让吕子涛身败名裂

西青特殊服装

吴世勋

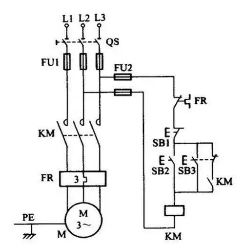
几种常见的电机控制方法

供应狮虎工业气保焊机二氧化碳保护焊机二保焊nbc-350/500两用

厦门六中合唱团最近火了长着初恋脸的黄雅琪讲述唱团点滴细节