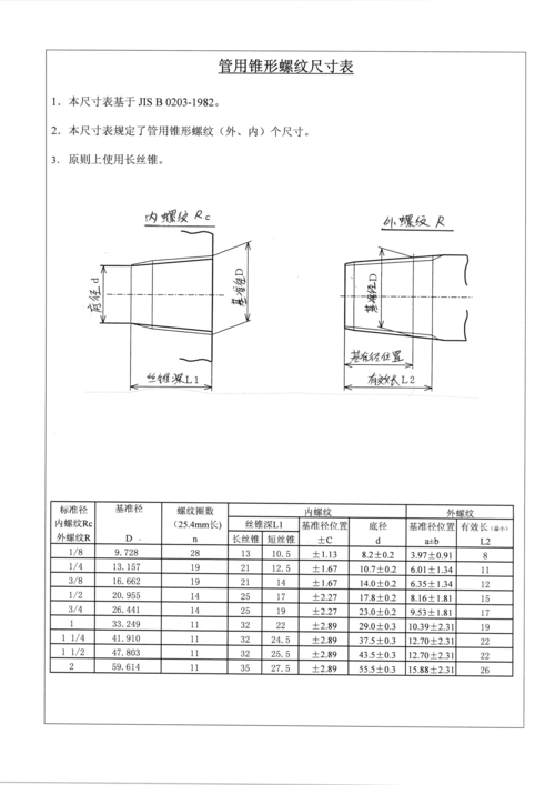
锥管螺纹

相关图片

美国标准的60度锥管螺纹_第1页

锥度螺纹中,知道代码,怎样算大小头直径

什么是圆锥管螺纹,圆锥管螺纹与pt螺纹的关系

npt美国60°锥管螺纹尺寸标准与数据.doc 2页

55度锥管螺纹(bspt)[1]

随机推荐

黄色黄昏背景520情人节海报背景情侣背景

有一种心动叫迪丽热巴,一袭黑色深v抹胸长裙搭长卷发,高贵冷艳_礼服

不顾央视批评顶风作案,与刘涛传出绯闻的杨烁,到底谁在给他勇气

可爱的,男孩,王子,衣服,贺卡

动漫女孩简笔画侧面

for love and lemons jocelyn 府绸分层紧身v领接缝中长连衣裙

1/6 这几张照片展现了越战的残忍!

泰国虎贴青草膏