魔兽世界 游戏地图

相关图片

如何提取 魔兽世界 巫妖王之怒 简体中文地图?只要诺森德的.

魔兽80从80ptr提取的新资料片加的几张地图简中4k版

魔兽世界9.0地图名字一览

是u9游久网白鸟制作的一款 a target="_blank" href="/item/魔兽争霸

英语一般的人在外服玩游戏时如何与外国友人进行有效流畅的沟通

随机推荐

陈柏霖甜蜜三连杀 邀宋智孝家中做客或求婚

kai最新美妆广告宣传大片释出,高级名模表现力|金钟仁|exo_网易订阅

创意科幻风格星球高清桌面壁纸

魏大勋的高考祝福##魏大勋18岁vs现在##魏大勋魔方新世界

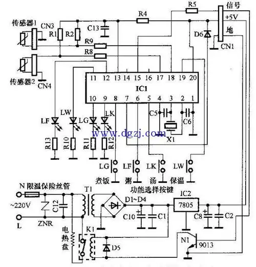
智能电饭煲电路原理图及故障检修方法

潮短发波浪卷

新款疯狂动物城鲨鱼面具 万圣节装扮头套 优质乳胶厂家批发

杨丽晓