没出名前赵丽颖的模样能给几分网友直呼眉毛决定了气质

相关图片

赵丽颖早期旧照被赞甜妹,引起了网友热议,还有很多人觉得是她买的热搜

老照片93#赵丽颖

早期的赵丽颖##春日cityhappy计划

赵丽颖晴儿时旧照

早期的赵丽颖到底有多可爱绝对是你想不到的那时候活力满满

随机推荐

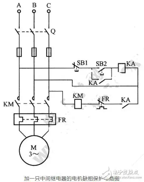
本视频主要介绍缺相保护电路图.

男星许凯和前女友合作过5次,首演夫妻档,两人关系更像朋友_张楠_对方

磨溪镇综合文化站

陶造我》 为了爱 望着他的眼睛 注:转载本站歌谱

鬼畜全星

可爱小女孩简笔画 可爱小女孩简笔画全身

浮世双娇传 福庆长公主 斓曦 - 堆糖,美图壁纸兴趣社区

张新成超话91#李燃的音像店#相爱的证据,藏在每一个对视的瞬间;千万