常用电动车充电器三种电路

相关图片

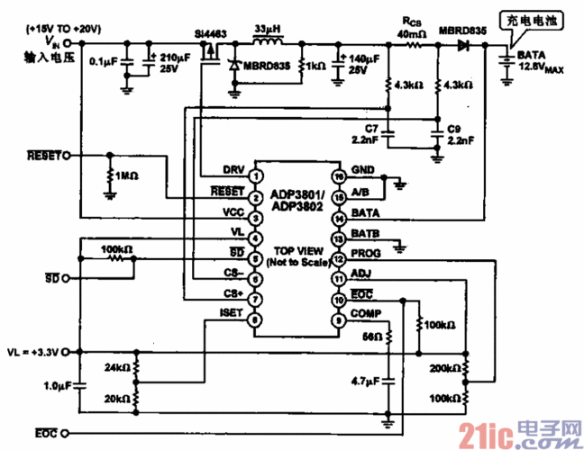
电动车36v充电器原理图

36v电池充电器电路图

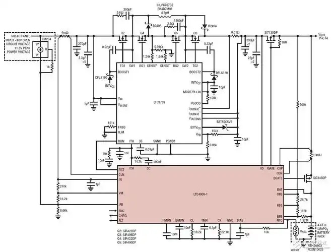
一款实用的锂电池充电器

摩托车蓄电池充电器电路图锂电池充电器电路-东哥单片机学习网电瓶

手机锂离子电池充电器电路图

随机推荐

原创原创杨紫为张一山庆生的文案上热搜头条两人堪称娱乐圈头号损友

flipped_怦然心动(电影赏析)

男星寸头照:张一山帅气千玺普通,看到许凯:两眼放光!

算卦免费婚姻测试男女生辰八字算命婚姻配对

《天涯客》你身上有光,我抓来看看

其它 射幼开展"六一"健康体检活动 写美篇 为了更好的了解幼儿的生长

泳衣女三件套保守修身显瘦比基尼游泳装外套钢托聚拢小胸分体平角

ps-2021牛年大吉元旦创意海报