新女裸色流苏优雅高贵奢华晚礼服艺考声乐主持人演出长裙 la71533

相关图片

红色晚礼服写真|高雅与名媛时尚气质的完美结合_魅力_力量_线条

高端晚礼服女2021新款名媛仙气高贵主持人礼服裙宴会气质订婚礼服

法式名媛风,晚礼服让你秒变女神! 嗨,小仙女们

热门 @春夏喜妈妈婚礼服装高贵优雅年轻婚宴装小个子婚礼晚礼服

晚礼服女轻奢气质女神范名媛聚会亮片闪亮晚宴年会派对鱼尾连衣裙

随机推荐

宋佳穿衣真胆大蕾丝衬衫配白色紧身裤秀出细腰长腿超好看

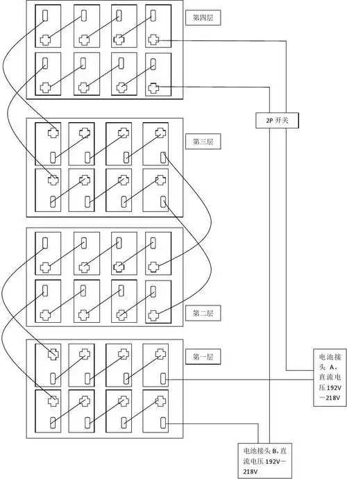
ups_a32电池箱内电池连接示意图_2组独立

射雕英雄传 剧照

突然被张若昀和刘昊然戳中萌点

美国留学院校丨南部的哈佛:杜兰大学 - 一森留学

张子枫和胡先煦 从《小别离》里两个肉乎乎的小孩 眼睁睁看着他们一

2024高品质裤子补丁贴男运动裤破洞修补贴衣服补丁贴牢固布料手的 黑

植物大战僵尸:百万血量的冰车僵尸